Port Wiring Diagram 7.x 8ch H.264 Dvr With 500gb Hdd & 8 Sony Ccd 420tvl 24 Ir Leds Outdoor

Welcome to Tutor PIGGY.blogspot.com: LAN and Network Devices Interview
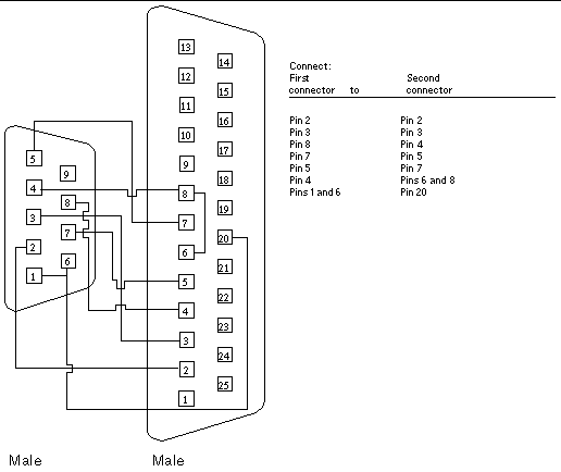
Service port wiring help. Wiring access control. Phev mopar
port wiring diagram 7.x
Download PDF
Welcome to Tutor PIGGY.blogspot.com: LAN and Network Devices Interview
Tidak ada komentar:
Posting Komentar