Sabtu, 10 Desember 2022
Hot Dawg Heater Wiring Diagram, Central Heating Wiring Diagram | DIYnot Forums
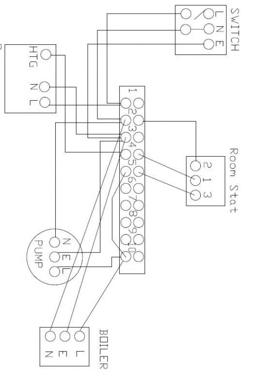
Central heating wiring diagram

Modine hot dawg heater wiring diagram. Modine dawg. Honeywell wiring zone heating central system plan boiler valve valves port electrical controlling fitted diagram thermostat biasi water drawing type. Help! i have a biasi condensing boiler ch faultless d/w slow coming
Langganan:
Posting Komentar (Atom)





![[SK_8697] Titan Space Heater Wire Diagram Wiring Diagram](https://static-assets.imageservice.cloud/873556/portable-heater-wiring-diagram-wiring-diagram-data-schema.gif)


Tidak ada komentar:
Posting Komentar