Sabtu, 17 Desember 2022

Infiniti Wiring Diagram Legend, TOYOTA TUNDRA Wiring Diagrams - Car Electrical Wiring Diagram

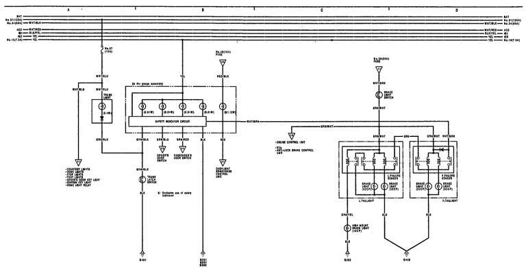
Infiniti Wiring Diagram Legend Acura Legend (1991)

Acura legend (1991)

Acura legend (1991). Audi a8 engine diagram. Wiring acura diagram radio el. Acura legend (1995)

Wiring - 2012 Infiniti FX35

Wiring - 2012 Infiniti FX35

Audi A8 Engine Diagram - Wiring Diagrams

Audi A8 Engine Diagram - Wiring Diagrams

I have a Nissan Infiniti v8 VH45DE with a cut wiring loom. I need a

I have a Nissan Infiniti v8 VH45DE with a cut wiring loom. I need a

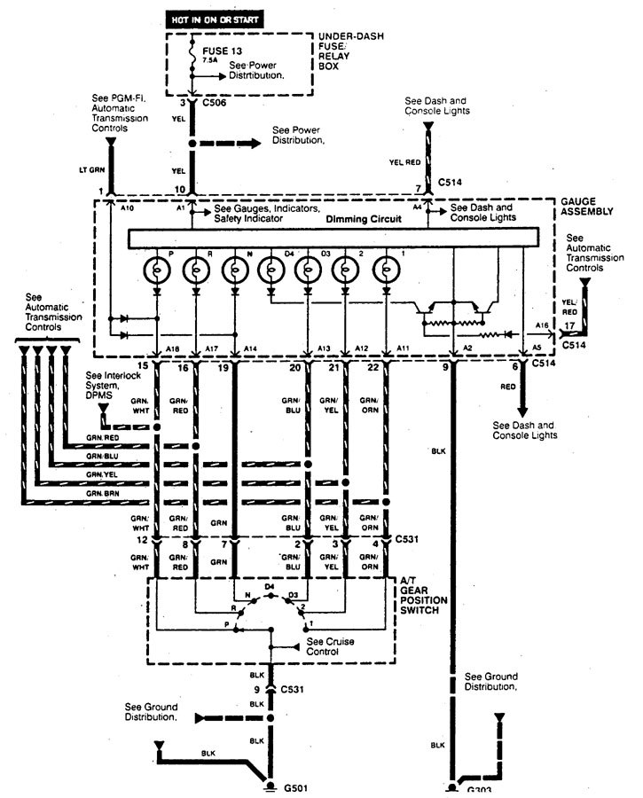
Infiniti QX4 (R50). Manual - part 48

Infiniti QX4 (R50). Manual - part 48

Acura Legend (1991) - wiring diagrams - cooling fans - Carknowledge.info

Acura Legend (1991) - wiring diagrams - cooling fans - Carknowledge.info

Tidak ada komentar:

Posting Komentar

My Headlines